ZL60 loader drive axle:


ZL60G loader drive axle:

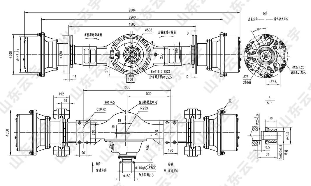
● Two-stage decelerating structure is adopted for the drive axle. ● The spiral bevel gears with great load-carrying capacity and high efficiency are adopted for main drive. ● The wheel is planetary decelerating structure. ● The main reducer is equipped with the common bevel-gear differential mechrmism simple slructure and flexible differential fimctum. ● The cast steel with adequate rigidity servers as material for the axle housing. ● The brakein clamydisc braking mode has great braking moment. ● The drive axle is suitable for the ZL60 loader and 220horsepower tractor. |
Main technical parameters of ZL60 ZL60D drive axles | |||
Model | ZL60 | ZL60D | |
Speed ratio of the main reducer | 3.7 | 4.22 | |
Reduction ratio at wheel | 5.6 | ||
Total speed ratio | 20.72 | 23.64 | |
Axle load | 500Kg | ||
Input turque | 12000N.m | ||
Brake | Cylinder diameter | Ф75 | |
Number of cylinder | 4 | ||
Oil-tube connector | M12×1.25 | ||
Braking oil pressuer | 9.8MPa | ||
Brake radius | R187.5mm | ||
Brake moment | 11500N.m/pce | ||
| ZL60G loader drive axle | ||
Speed ratio of main reducer | 4.22 | |
Reduction ratio at wheel | 5.6 | |
Total speed ratio | 23.64 | |
Axle load | 3300Kg | |
Input torque | 6200N.m | |
Brake | Cylinder diameter | Ф75 |
Number of cylinder | 4 | |
Oil-tube connector | M12×1.25 | |
Braking oil pressure | 9.8MPa | |
Brake radius | R201.5mm | |
Brake moment | 12200N.m/pce | |