
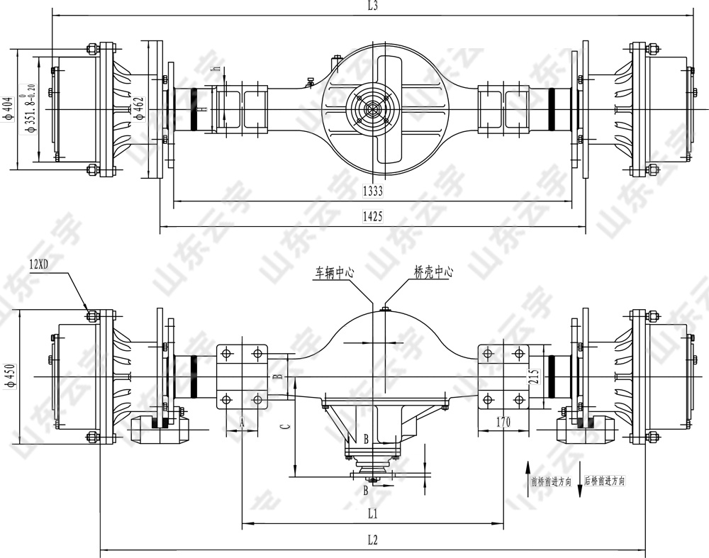
主要连接尺寸 | |||||||||||
型 号 | L1 | L2 | L3 | A | B | C | D | H | h | 法兰 | 旋向(前) |
ZL30 | 875 | 1825 | 2146 | 105 | 155 | 336 | M20×1.5 | 150 | 75 | 圆法兰 | 逆时针 |
ZL30(1) | 875 | 1825 | 2146 | 105 | 155 | 336 | M20×1.5 | 150 | 75 | 圆法兰 | 顺时针 |
ZL30(2) | 865 | 1825 | 2146 | 95 | 160 | 330 | M20×1.5 | 175 | 100 | 方法兰 | 逆时针 |
ZL30(3) | 865 | 1825 | 2146 | 95 | 160 | 330 | M22×1.5 | 190 | 100 | 方法兰 | 顺时针 |
ZL30(4) | 865 | 1825 | 2146 | 95 | 160 | 330 | M22×1.5 | 190 | 90 | 方法兰 | 逆时针 |
ZL30(5) | 865 | 1825 | 2146 | 95 | 160 | 330 | M22×1.5 | 180 | 90 | 方法兰 | 逆时针 |
ZL30(6) | 960 | 1825 | 2146 | 100/140 | 160 | 336 | M22×1.5 | 180 | 90 | 方法兰 | 逆时针 |
● 驱动桥采用两级减速结构。 ● 主传动为螺旋锥齿轮,承载能力大、效率高。 ● 轮边为行星减速结构。 ● 主减部分装有普通锥齿轮差速器,结构简单、差速灵活。 ● 桥壳材料为铸钢,刚性好。 ● 制动器为钳盘制动,制动力矩大 ● 适用于ZL30装载机和14-18压路机。 |

首页走进云宇 资讯中心产品中心产品定制售后与服务人才招聘在线定购
地址:山东省肥城市高新区康汇大街西257号(云宇工业园)
yl23411永利集团 鲁ICP备11006591号
鲁公网安备37098302000204号