• 工程机械系列驱动桥
    • 客户案例

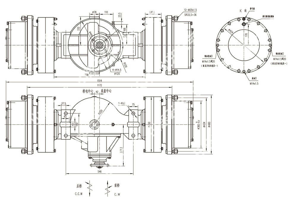
CY36S系列铲运机桥

产品类型: 工程机械系列驱动桥

地址:山东省肥城市康王西路257号

电话:0538-3302973   3302651   3302663   2095186   2095198   

电话:2095197   2095188

售后服务电话:4006217988

配 件 部:0538-2095198   3302651

首页走进云宇 资讯中心产品中心产品定制售后与服务人才招聘在线定购

地址:山东省肥城市高新区康汇大街西257号(云宇工业园)

yl23411永利集团   鲁ICP备11006591号  鲁公网安备37098302000204号