4006217988
山东省肥城市高新区康汇大街西257号(云宇工业园)
打开微信扫一扫关注云宇
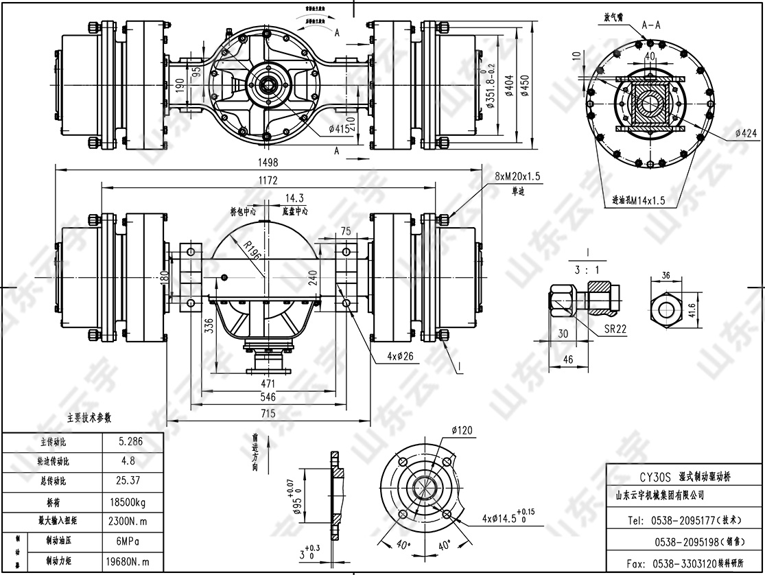
产品介绍:
● 适用于1.5立方井下铲运机等井下设备。
● 桥壳采用钢板冲压焊接工艺,结构紧凑,轮距小。
● 采用两级减速传动机构,即螺旋锥齿轮减速和轮边行星减速机构,输入扭矩大,传动效率高。
● 制动器为封闭多盘湿式制动,安装于轮边减速行星齿轮之后,制动轮毂,液压施压,弹簧释放,制动性能好。