4006217988
山东省肥城市高新区康汇大街西257号(云宇工业园)
打开微信扫一扫关注云宇
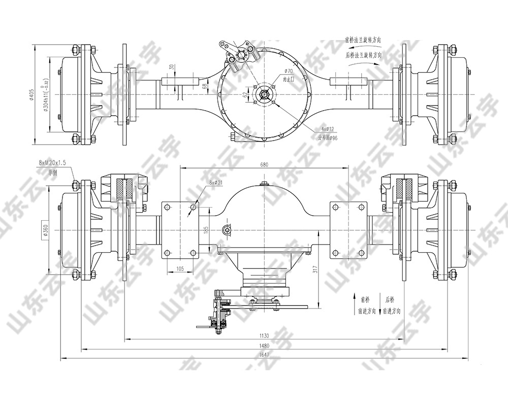
产品介绍:
● 驱动桥采用两级减速结构。
● 主传动为螺旋锥齿轮结构,承载能力大,效率高。
● 轮边为行星减速结构。
● 主减部分装有普通锥齿轮差速器,结构简单、差速灵活。
● 桥壳材料为铸钢,刚性好。
● 驱动桥有两种旋向,可依用户需要供货。
● 制动器为钳盘制动,制动力矩大。
● 在主传动位置增加驻车制动器,制动安全可靠。