请输入关键词
点击看大图

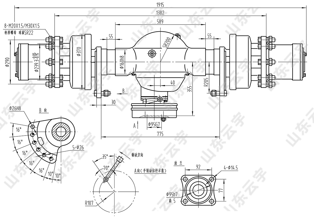
CPC5060叉车驱动桥

产品介绍:

  • 电话:0538-3302973 3302651 3302663 2095186 2095198
  • 电话:2095197 2095188
  • 售后服务电话:4006217988
  • 配 件 部:0538-2095198 3302651
  • 地址:山东省肥城市康王西路257号